邮箱:915510982@qq.com

网站地图 中文 English
English

一体化高新技术企业

专注 自动焊锡机,自动锁螺丝机,自动点胶机,非标自动化定制,自动流水线 系统方案和工业设备提供商

咨询热线:18902853808
产品中心
鼎华全气动钢网清洗机
鼎华全气动钢网清洗机
鼎华全气动钢网清洗机

鼎华全气动钢网清洗机

订购热线

0755-29091833

详细信息

联系我们
深圳市鼎华科创自动化有限公司
联系人:张先生
邮箱:915510982@qq.com
手机:18902853808
电话:0755-29091833/29091822/29091633
传真:0755-29091622
地址:深圳市宝安区沙井街道新玉路北侧圣佐治科技工业园第6栋厂房B座4楼
推荐产品
行业资讯
  一、设备简介:    
        此款机器以压缩空气为能源,属于新型、高性能全气动式清洗设备。以人工方式将网板放入清洗室内,调节好清洗和干燥时间后,按下启动按钮,网板会被自动清洗和干燥。等到设定的时间到达后自动停止运行.打开门时间复位,以便实现下次的工作流程,方便作业人员清洗网板,大副提高生产效率。
       其中,因清洗所使用的液体可以在本机实现循环利用,大大的降低了液体的消耗和成本,作业时间大幅缩短,作业人员不用接触液体,[敏感词]避免对人体伤害.本机所使用的动力源为压缩空气,不需要任何电力的输入,使其安全性能达到99.99%,对液体无任何要求.
       各个控制元件均使用进口品牌,使机器运行稳定,使用寿命长久.降低保修期后的售后服务。人性化的设计,使用一键式操作,使其使用简单方便,轻松完成清洗、 干燥工作过程.干燥所产生的废气,通过机器内部特殊结构的排风装置排出,减少液体的挥发,降低液体及压缩空气消耗量,[敏感词]减少液体气味散发.

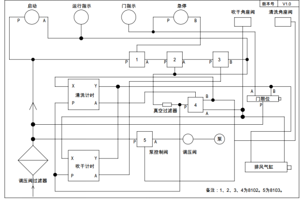
二、系统介绍:
image.png


weixin
3427757449
13424367510
18902853808
Copyright © 2025 深圳市鼎华科创自动化有限公司 版权所有 粤ICP备16111246号